Sailor 46T und 16T
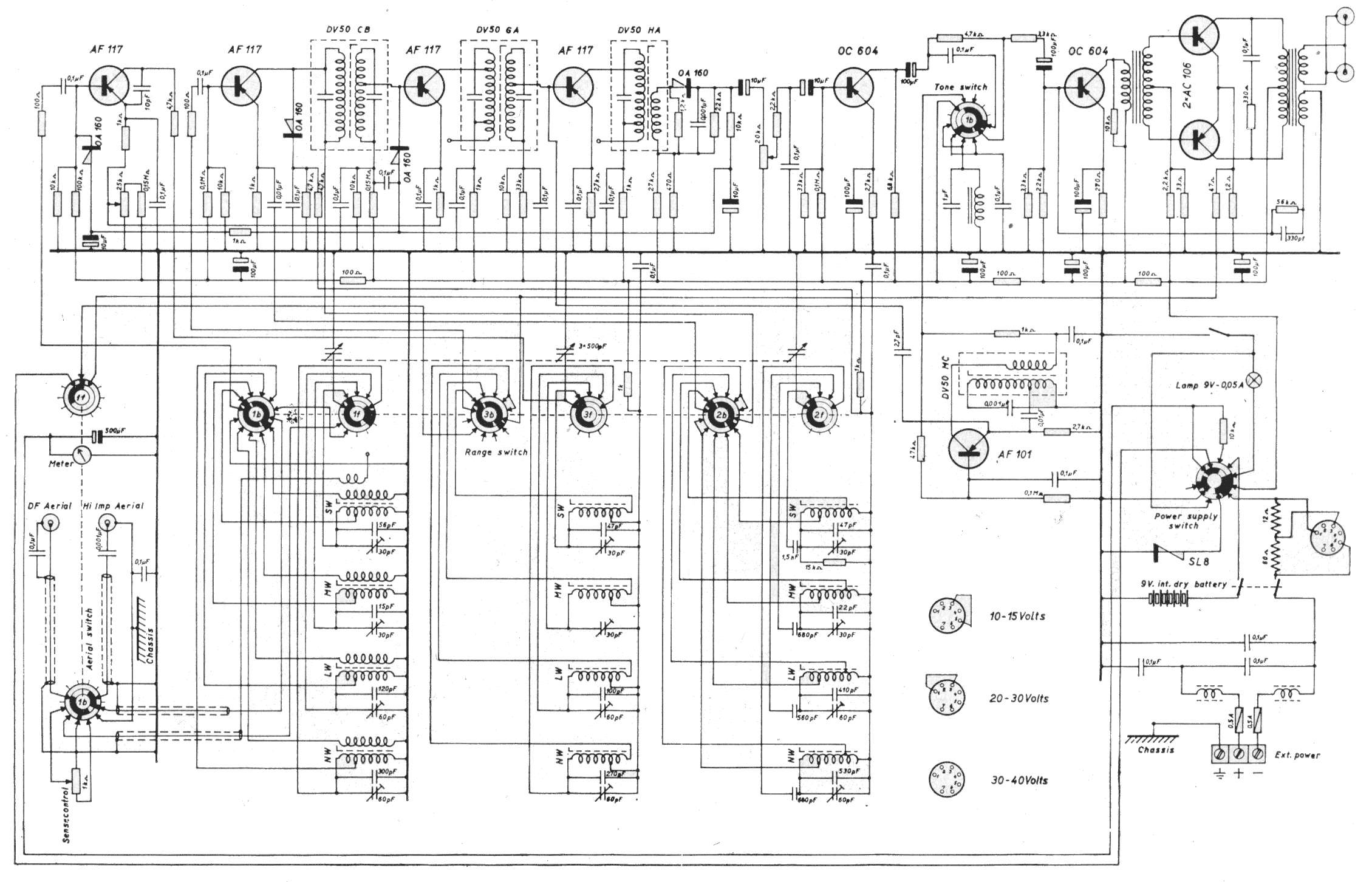
Wahrscheinlich um 1964 kam der Sailor 46T vom dänischen Hersteller S.P. Radio auf den Markt.
Es war für den Telefoniebetrieb im Grenzwellenbereich auf kleinen Frachtschiffen,
in der Fischerei und auf Jachten gedacht. Der volltransistorisierte Empfänger arbeit
mit Bordspannungen von 12, 24 oder 32 Volt. Auch der autarke Betrieb mit 6 handelsüblichen
1,5V Monozellen ist möglich.
Für den Empfang von Telegrafiesendungen kann ein unveränderlicher Überlagerer (BFO) zugeschaltet werden.
HF- und NF-Verstärkung werden getrennt geregelt.
Für den "Direction Finder" Bereich 280-425 kHz gab es einen passenden Peilrahmen.
Der RX besitzt dafür einen separaten hochempfindlichen Antenneneingang.
Die Eingänge können an der Fronseite umgeschaltet werden.
Eine Vorgängerversion Sailor 16T erschien bereits um 1962.
Der Schaltplan des Sailor 16T befindet sich weiter unten.
Technische Daten:
| Demodulationsarten: |
AM/SSB/CW |
| Frequenzbereich: |
150-280 kHz MHz |
|
280-425 kHz |
|
525-1600 kHz |
|
1600-4000 kHz |
| Gewicht: |
6,5 kg |
| Abmessungen BHT: |
335 x 220 x 150 mm |
| Transistorbestückung: |
AF117 AF117 AF117 AF117 OC604 OC604 AC106 AC106 AF101 |
Um den Schaltplan ( Schaltpläne ) zu sehen, einfach auf den Link klicken.
Um den Schaltplan ( Schaltpläne ) dann zu speichern, mit der rechten Maustaste auf das Schaltbild ( Schaltbilder ) klicken
und "Bild speichern unter..." wählen. ( save picture as ... )
hier ein paar Detailaufnahmen aus dem RX Sailor 16T:





|