Sommerkamp FT-250
Das Gerät ist baugleich mit Yaesu FT-200 und dem "Tempo One" von Henry Radio.
Der Sommerkamp FT-250 Transceiver wurde auf dem europäischen Markt verkauft,
"Tempo One" war die Bezeichnung für die USA.
Auf den Markt kam der TRX um 1969 und war mit 16 Röhren und 7 Transistoren bestückt.
Er war ein Leichtgewicht seiner Klasse, da sich die Stromversorgung in einem separaten Gehäuse befand.
Auch der Lautsprecher war dort untergebracht. Das Netzgerät FP-250 gab es damals komplett zu kaufen,
war aber auch als Bausatz erhältlich.
Technische Daten:
| Modulationsarten: |
AM/SSB/CW |
| Eingansleistung: |
240W |
| HF-Ausgangsleistung: |
100W |
| Frequenzbereich: |
3,5-4 MHz |
|
7-7,5 MHz |
|
14-14,5 MHz |
|
21-21,5 MHz |
|
28-30 MHz in 4 Teilbereichen |
| Antennenimpedanz: |
50 - 100 Ohm |
| Frequenzstabilität: |
nach 30 min Aufwärmung 100 Hz |
| Trägerunterdrückung: |
-40 dB |
| Seitenbandunterdrückung: |
-50 dB bei 1 kHz |
| NF-Bandbreite: |
300 - 2700 kHz |
| Empfängerempfindlichkeit: |
0,5 µV bei 10dB SINAD |
| NF-Ausgangsleistung: |
1 W |
| Gewicht: |
8 kg |
| Abmessungen BHT: |
335 x 140 x 280 mm |
| Röhrenbestückung: |
6BZ6 6U8 6BA6 6BZ6 12AX7 6BM8 12AU7 12AX7 7360 6CB6 6EJ7 6AV6 12AU7 12BY7 6JS6A 6JS6A |
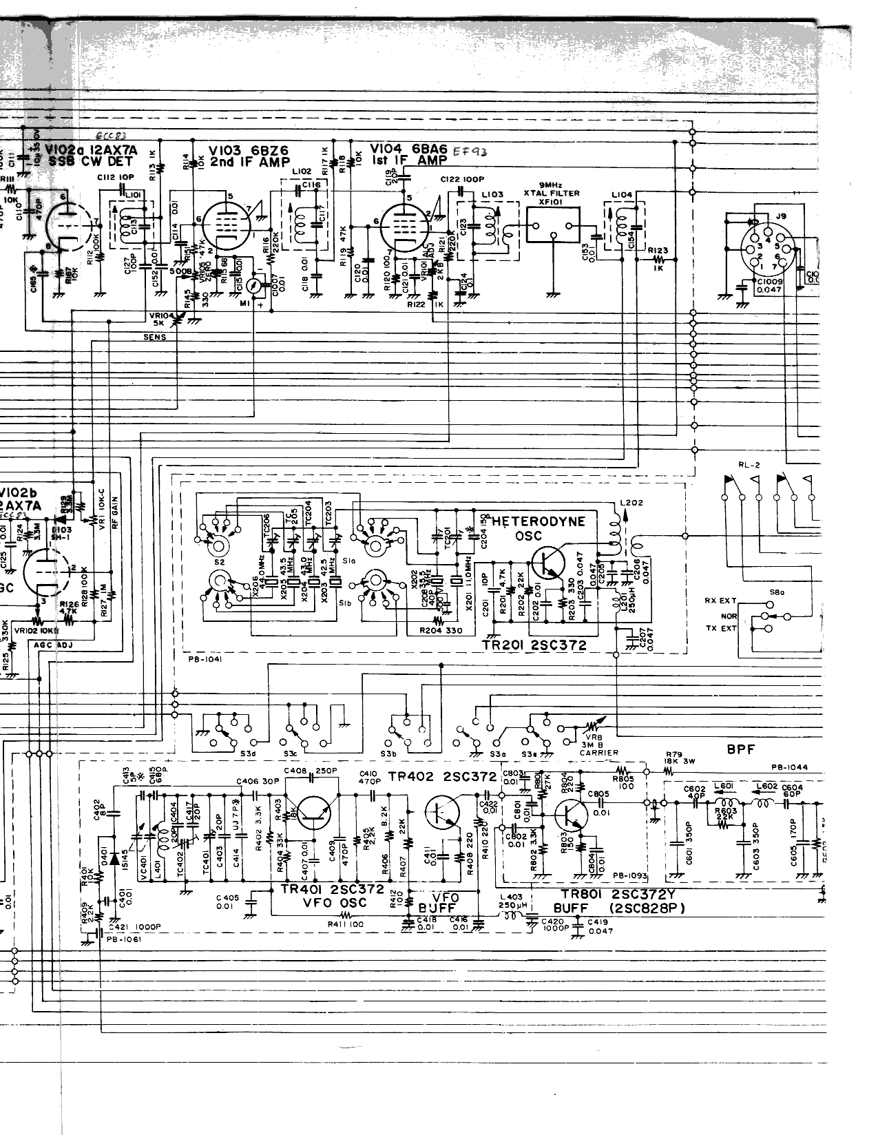
Um den Schaltplan ( Schaltpläne ) zu sehen, einfach auf die Links klicken.
Um den Schaltplan ( Schaltpläne ) dann zu speichern, mit der rechten Maustaste auf das Schaltbild ( Schaltbilder ) klicken
und "Bild speichern unter..." wählen. ( save picture as ... )
hier ein paar Detailaufnahmen aus dem Röhren-TRX Sommerkamp FT250:



















Die Stromversorgung mit eingebautem Lautsprecher FP-250:








|